電動傾斜百葉閥ZKOX-0.05型

一、用途
電動傾斜百葉閥中傾斜型百葉閥與電動執行器配套使用。接受調節或變送的單元信號,自動地控制閥門開度而完成調節任務。電動傾斜百葉閥廣泛應用于建材、冶金、礦山、電力等工業部門自動調節或控制管路中的介質流量。
二、特點
電動傾斜百葉閥為百葉、多軸式的結構、軸座采用組裝式結構、便于維修。密封填料采用柔性石黑,密封比壓可調,閥板流線結構,流阻小,流動均勻,啟閉力矩小,動作靈敏,性能可靠。
三、工作原理
電動傾斜百葉閥的電動執行器通過曲柄,連桿帶動各閥葉軸同步旋轉達到控制閥門開度,調節管路流量。
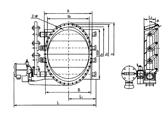
四、外形與安裝尺寸
|
DN |
D |
D12 |
D2 |
B |
B1 |
B2 |
L |
L1 |
L2 |
Z-Φ |
α |
|
1500 |
1990 |
1931 |
1831 |
1660 |
1600 |
1500 |
2450 |
935 |
340 |
42-22 |
55 |
|
1800 |
2377 |
2317 |
2197 |
1980 |
1921 |
1800 |
2800 |
1100 |
340 |
44-24 |
55 |
|
2000 |
2621 |
2561 |
2441 |
2180 |
2120 |
2000 |
2950 |
1200 |
400 |
44-24 |
55 |
|
2300 |
2987 |
2927 |
2807 |
2480 |
2420 |
2300 |
3510 |
1365 |
400 |
48-24 |
55 |



