電液動扇形閘門采用全封閉結構
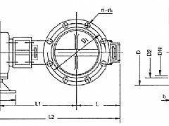
手動蝶閥結構簡單、體積小、重量輕,只由少數幾個零件組成,手動蝶閥只需旋轉90°即可快速啟閉,操作簡單,同時該閥門具有良好的流體控制特性,手動蝶閥處于完全開啟位置時,手動蝶閥厚度是介質流經閥體時的阻力,因此通過該閥門所產生的壓力降很小,手動蝶閥故具有較好的流量控制特性。蝶閥有彈密封和金屬的密封兩種密封型式。
電動百葉閥可廣泛地應用于冶金、建材、化工、電站、玻璃等行業中的通風、環保工程的含塵冷風或熱風氣體管道中,電動百葉閥作為氣體介質流量調節或切斷裝置,電動百葉閥特別適用于大口徑、大流量、低壓差場合,電動百葉閥工作原理是驅動裝置輸出力矩通過連桿機構傳給各閥軸,電動百葉閥由各閥軸的轉動帶動各自的百葉板旋轉,電動百葉閥用以改變管道內截面積,以達到大面積截斷介質、降低介質壓力或調節介質流量的作用。
電液動扇形閘門采用全封閉結構,沒有常規液壓系統的管網,減少了泄漏,電液動扇形閘門由簡單到復雜多控制方式,配置傳感器和數字顯示裝置,即可顯示運行距離,并可在任意位置鎖定,電液動扇形閘門以液壓油為工作介質,液壓油應具有抗氧化、抗銹蝕、防泡沫等性能,電液動扇形閘門工作環境溫度低于-30℃時,電液動扇形閘門推薦采用32號液壓油,加油量為液壓油的上平面至油標位置或集成塊上方30mm處。
手動蝶閥結構簡單、體積小、重量輕,只由少數幾個零件組成,手動蝶閥只需旋轉90°即可快速啟閉,操作簡單,同時該閥門具有良好的流體控制特性,手動蝶閥處于完全開啟位置時,手動蝶閥厚度是介質流經閥體時的阻力,因此通過該閥門所產生的壓力降很小,手動蝶閥故具有較好的流量控制特性。蝶閥有彈密封和金屬的密封兩種密封型式。
電動百葉閥可廣泛地應用于冶金、建材、化工、電站、玻璃等行業中的通風、環保工程的含塵冷風或熱風氣體管道中,電動百葉閥作為氣體介質流量調節或切斷裝置,電動百葉閥特別適用于大口徑、大流量、低壓差場合,電動百葉閥工作原理是驅動裝置輸出力矩通過連桿機構傳給各閥軸,電動百葉閥由各閥軸的轉動帶動各自的百葉板旋轉,電動百葉閥用以改變管道內截面積,以達到大面積截斷介質、降低介質壓力或調節介質流量的作用。
電液動扇形閘門采用全封閉結構,沒有常規液壓系統的管網,減少了泄漏,電液動扇形閘門由簡單到復雜多控制方式,配置傳感器和數字顯示裝置,即可顯示運行距離,并可在任意位置鎖定,電液動扇形閘門以液壓油為工作介質,液壓油應具有抗氧化、抗銹蝕、防泡沫等性能,電液動扇形閘門工作環境溫度低于-30℃時,電液動扇形閘門推薦采用32號液壓油,加油量為液壓油的上平面至油標位置或集成塊上方30mm處。

S/W TF-Ⅰ系列手動蝶閥
TPO系列手動蝶閥
電液動扇形閘門DSZ-□A(B)-II型
電液動扇形閘門TDSZ型
手動蝶閥,Swb型手動蝶閥
