關于奧普
制造實力
新聞媒體
視頻中心
工程業績
建材產品
產品圖片
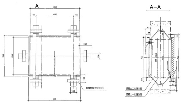
均化庫庫側檢修門的均化庫庫側入孔門由外門和內門組成,采用優質碳素鋼制造,堅固耐用、密封性能優越、開啟方便、便于檢查均化庫內情況。
均化庫庫側檢修門
中聯水泥
中航技
中國新型建材設計研究院
中國建筑材料集團有限公司
中國航空工業集團公司
中工國際
西普集團
圓形堆取料機
半門式刮板取料機(耙料機)
側式懸臂堆料機
橋式刮板取料機
奧普耙料機(門式刮板取料機)
圓形頂堆側取堆取料機
側式刮板取料機
懸臂斗輪堆取料機
名稱:南通奧普機械工程有限公司 郵箱:upjx@sina.com Q Q: 3293236737 地址:江蘇省海安市曲塘鎮雙工路6號
Copyright @ 2015 版權所有 南通奧普機械工程有限公司 All Rights Reserved 郵 箱: upjx@sina.com 地址: 江蘇省海安城西工業區 技術支持:天正企劃
友情鏈接: