生料分配器
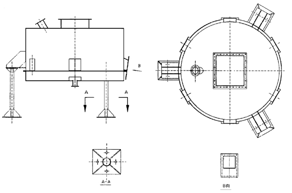
生料分配器是水泥工業氣動化裝置,主要用在分配干燥粉狀物料,它適用于輸送設備的中間分料及庫頂物料分配。可根據工藝要求生產二嘴、六嘴、八嘴,出料嘴斜度可按工藝在6°至14°范圍內選擇。生料分配器適用天大、中、小型水泥廠分配水泥、生料之用。

技術參數表
|
型號(mm) |
生料通過能力(t/h) |
風壓(mmH2O) |
風量(m3/min) |
|
|
Φ800 |
6嘴 |
<120 |
700 |
2 |
|
8嘴 |
<140 |
2.5 |
||
|
Φ1000 |
6嘴 |
75~130 |
700 |
3 |
|
8嘴 |
90~150 |
4 |
||
|
Φ1200 |
6嘴 |
130~150 |
700 |
4.5 |
|
8嘴 |
150~180 |
5 |
||
|
Φ1600 |
6嘴 |
>150 |
700 |
7 |
|
8嘴 |
>180 |
8 |
||



