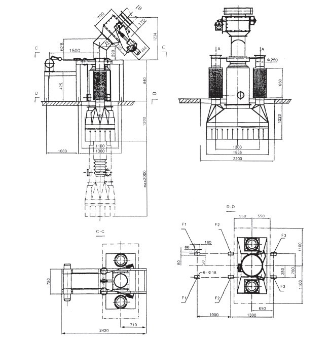
SSQ300-Ⅲ熟料散裝機
設備基礎及預埋件載荷
1、提升裝置:Fv=5KN×1.5 FH=20KN×2
2、進料口法蘭:Fv=50KN
3、散裝頭基礎:Fv=4×10KN×15
注四個柱角均為:10KN×1.5(系數)
Fv為垂直載荷
FH為水平載荷
主要技術參數
1、Zui大卸料能力:200-300t/h
2、物料Zui大粒度:小于50mm
3、物料Zui高溫度:小于150℃
4、含塵氣體排放量:4500m3/h
5、提升電機功率:2.2-3KW
6、設備自重:3000Kg

上一頁:[熟料散裝機]
下一頁:SSQ300-Ⅱ熟料散裝機
您可能會對以下產品感興趣
產品好不好 用我們的業績證明
奧普核心合作伙伴
企業規模怎么樣 用我們的資質說明
生產能力怎么樣 用我們的設備和團隊表明
新聞動態
- 側式懸臂堆料機的構造及原理
- 什么是 熟料散裝機,有哪三大性能特點
- 什么是 氣箱脈沖布袋除塵器,安裝注意事項概述
- 橋式刮板取料機的特點及操作注意事項
- 什么是圓盤給料機,有哪些優勢特點
- 斗式提升機的六大特點概述
- 操作連續式均化庫的四大注意事項
- 移動式堆料機三大優勢特點及使用步驟
- 關于網站內容違禁詞、極限詞失效說明
- 斗式提升機的工作過程分為哪三個階段
- 什么是 熟料散裝機,有哪三大性能特點
- 熟料散裝機的安裝要點概述,不可錯過
- 什么是粉煤灰散裝機,特點及應用怎樣
- 熟料散裝機的使用注意事項,了解嗎
- 汽車散裝機的安裝、調試與運行要點講解
- 熟料散裝機的安裝要點講解,不可錯過
- 粉煤灰散裝機好評不斷,靠的就是這幾點!
- 了解熟料散裝機的使用及維護注意要點
- 庫底散裝機,還不知道這些知識點
- 熟料散裝機的相關安裝步驟講解


