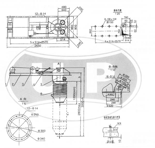
汽車散裝機,ZSQ300/600型散裝機
汽車散裝示意圖

技術參數表
| 裝載頭 | 卷揚機 | 料位儀 | 風機 | |||||||
| 伸縮距離 | 伸縮速度 | 起升速度 | 功率 | 電壓 | 動作壓力 | 額定電壓 | 額定電流 | 適用介質 | 電壓 | 電機 |
| 1600mm | 8m/min | 8m/min | 0.75kw | 380V | 2500-5000Pa | 220V380V | 3A | 清潔氣體 | 220V | 350W |
上一頁:[散裝機]
下一頁:電動轉彎溜子
您可能會對以下產品感興趣
產品好不好 用我們的業績證明
奧普核心合作伙伴
企業規模怎么樣 用我們的資質說明
生產能力怎么樣 用我們的設備和團隊表明
新聞動態
- 電動百葉閥和蝶閥的區別,別錯過
- 側式懸臂堆料機在開機前的操作要點講解
- 關于螺旋輸送機,這些知識點要了解
- 螺旋閘門的結構及分類特點
- NE板鏈斗式提升機的日常維護要求
- 氣箱脈沖袋收塵器產生結露的原因是什么
- 了解空氣輸送斜槽的操作注意點嗎
- 圓形堆取料機的結構特點及應用
- 翻板卸灰閥的結構原理,了解嗎
- 星型卸灰閥的使用要點講解
- 熟料散裝機的使用注意事項,了解嗎
- 汽車散裝機的安裝、調試與運行要點講解
- 熟料散裝機的安裝要點講解,不可錯過
- 粉煤灰散裝機好評不斷,靠的就是這幾點!
- 了解熟料散裝機的使用及維護注意要點
- 庫底散裝機,還不知道這些知識點
- 熟料散裝機的相關安裝步驟講解
- 熟料散裝機的使用注意事項,需了解哦
- 了解關于汽車散裝機的日常使用注意事項
- 講解熟料散裝機的安裝步驟,不要錯過哦


